

非常用放流設備は大洪水が発生した場合に、放流を調節し、またダムの決壊を防ぐための放流を行う施設です。洪水時最高水位を超えるおそれがある場合に、常用放流設備に加えて放流し、放流量を調節する役目を果たします。
従来、非常用放流設備(クレストゲート)の開閉装置には、初期投資の低い、電動モータワイヤロープ式が採用されてきました。しかし、本設備においては、開閉装置が堤体内に納まり景観上すっきりする、維持費まで考えるとより経済的である、という理由から油圧シリンダ直吊り式を採用しています。
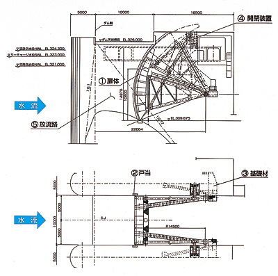
堤頂に突起物がなく景観上すっきりする、大型ゲートとして実績があるラジアルゲートを採用しています。
扉体に設けられた水密ゴムの密着性を高めるため、コンクリートの放流路にステンレス鋼の戸当りを埋め込んでいます。
扉体が受けた水圧を、ダム本体コンクリートからの反力として受け止める部分です。
振動式油圧シリンダ式という構造を採用しています。開閉に使われる油圧シリンダーが扉体開度によって傾きを変えるためにこのように呼ばれます。
常用放流設備のように高圧高速の水が流れるわけではないので、鋼製の放流管、整流板は設けず、コンクリートの放流路を採用しています。