TOP

6.6 奥越地方の発電および農業水利

 
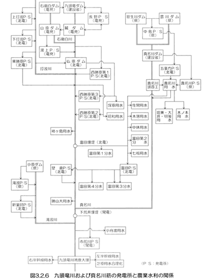
九頭竜川および真名川上流域では、昭和24年(1949)に完成した市荒川発電所のほか、昭和28年(1953)には五条方発電所が完成し、それ以後中島・富田・上打波・壁倉発電所といった1万kwを越える出力の発電所が次々と建設された。
これらの発電用水は、真名川上流に位置する笹生川ダムが起点となり、雲川ダムの水を合わせ中島・五条方を経て、九頭竜川本川の水と合わせて富田~壁倉と階段式に落として発電し、市荒川に至っている。上流から下流に至るまで、水を反復利用する発電水利体系が形成された。
真名川水系で最も早く発電を開始した五条方発電所は、大野盆地に広がる真名川扇状地の扇頂部に位置しており、放水口が農業用水の取水口に極めて近接する関係にある。そのようなことから、発電所建設にあたっては、農業用水利用者との間に交渉が重ねられた。その結果、五条方発電所放水口の下流に近接して真名川用水合口堰堤を設けられており、ここで取水した水を、五条方発電所の放水と付属の水槽に一括して貯水された後、堀兼・大井・明後の3用水地区および木ノ本原開拓地区に配分され、灌漑されるようになった。また、この付属水槽には、地区内への取水門と並んで富田発電所へ送水する分水門が設置されており、富田地区の用水として利用されている。
 富田方面に送られた水は、富田発電所において発電用水として利用し、それを富田地区の灌漑用水としても利用されている。これは、昭和26年(1951)頃に北陸電力株式会社が九頭竜川本川と真名川の水を導水し、低落差の発電所を計画したとき、北陸電力㈱は真名川土地改良区と富田土地改良区に対して交渉を行い、前者とは昭和32年(1957)6月に交渉がまとまり、真名川用水改良事業の施設を共用することと、北陸電力㈱が協力費を負担することで決着した。富田土地改良区との間では、農業用水と発電用水との水路共用、分水などについて昭和32年10月に契約が成立した。通常は、富田発電所で使用した水は、水槽に貯水され送水管で壁倉発電所に送られるとともに、灌漑用水としても利用されている。九頭竜川および真名川筋の発電所と農業水利の関係は、図3.2.6のとおりである。 

参考資料

  • 福井県土地改良史 平成3年3月 福井県土地改良事業連合会
  • 鳴鹿堰堤史 平成8年3月 九頭竜川鳴鹿堰堤土地改良区連合
  • 福井県史
  • 福井県土木史 昭和58年5月 編集・発行:福井県建設技術協会
  • 関係市町村史
  • 県営農業用水合理化対策事業芝原用水地区事業概要書 福井県
  • 上庄のあゆみ 昭和51年8月 上庄公民館
  • 朝六ツ川改修と土地改良 平成10年2月 麻生津土地改良区
  • 日本の地誌第10巻 福井県 1988.5 編集:日本地誌研究所 発行:二宮書店
  • 奥越の農業農村50年のあゆみ 平成9年4月 発行:奥越農業農村整備事業促進協議会
  • 福井県 編集:奥越の農業農村整備編集委員会
  • 角川日本地名大辞典 18 福井県 平成7年12月 
    発行:角川書店
    編者:「角川日本地名大辞典」編集委員会
  • 福井県の歴史 県史シリーズ18 昭和56年11月 
    発行:山川出版社
    著者:印牧邦雄
  • 日本地誌 第10巻 福井県 昭和63年5月第5刷 発行:二宮書店
  • 福井県の地名 日本歴史地名大系18 1981.9  発行:平凡社