MENU
〒620-0875 京都府福知山市堀小字今岡2459-14 TEL:0773-22-5104(代表)
防災
河川
道路
各種申請
入札 / 契約情報
事務所紹介
お問い合わせ
アクセス(地図)
管内の体制
文字サイズ
大
中
小
河川の取り組み
River Project
HOME
河川の取り組み
由良川水系河川整備計画
由良川水系流域委員会
由良川水系河川整備計画(原案)
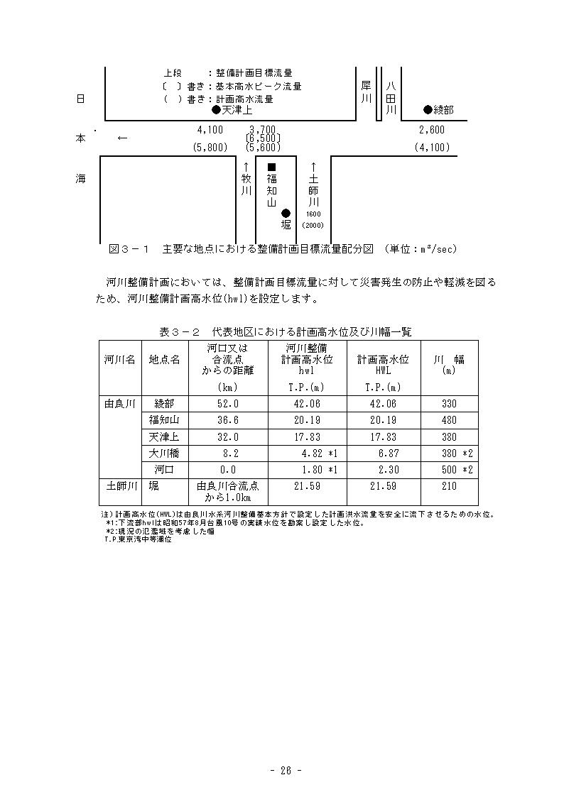
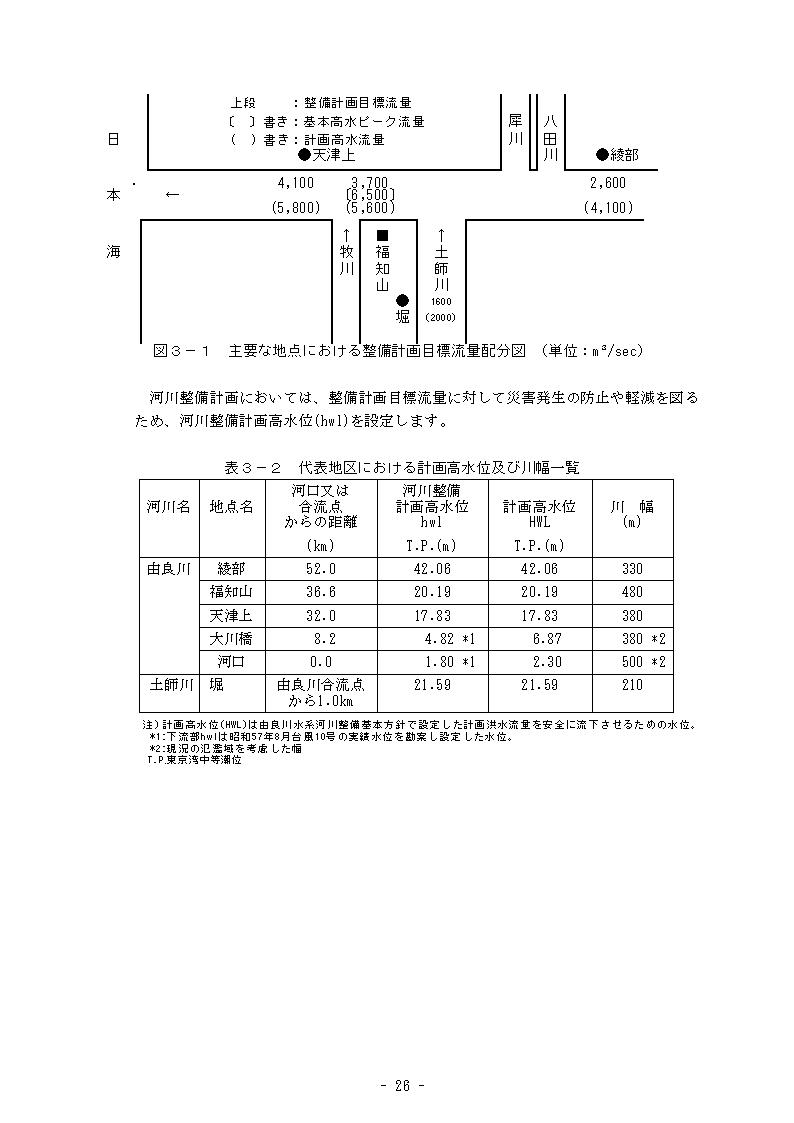
第3章 河川整備計画の目標
第3章 河川整備計画の目標
P24
P25
P26
P27
Page Top